
概述
SFGP型配电器/隔离器是DDZ—Ⅲ型电动单元组合仪表中DFP型配电器/隔离器的改进型,它能为现场安装的二线制变送器提供一个隔离的电源,同时将变送器来的4~20mA信号转换成与之隔离的1~5V/4~20mA信号,实现输入、输出、电源三部分的互相隔离。
SFGP型配电器/隔离器采用国内先进的模块电路,有效地缩小了仪表的体积,简化了仪表整机结构,使仪表的精度、可靠性、仪表对环境的适应能力以及负载变化对输出的影响等指标都较原DFP型配电器/隔离器有显著的提高。
★ 仪表外形
.jpg)
★ 轨装式配电器/隔离器选型型谱
|
型 谱
|
说 明
|
||||||
|
SFGP
|
|
轨装式配电器/隔离器
|
|||||
|
输入信号类型
IN1/IN2
|
0
|
0
|
|
不需要此输入通道
|
|||
|
4
|
4
|
|
4~20mA(DC)输入,18.5~28.5V(DC)配电输出,配电器
|
||||
|
6
|
6
|
|
4~20mA(DC)输入,隔离器
|
||||
|
8
|
8
|
|
1~5V(DC)输入,隔离器
|
||||
|
输出信号类型
OUT1/OUT2
|
|
0
|
0
|
|
不需要此变送输出
|
需改变输出类型,参见输出信号类型拔码图说明
|
|
|
6
|
6
|
|
4~20mA(DC)输出
|
||||
|
8
|
8
|
|
1~5V(DC)输出
|
||||
|
供电电源
|
|
D
|
24VDC供电
|
||||
|
A
|
220VAC供电(仅支持一入一出)
|
||||||
注: 特殊型号请于订货时注明。
注:输出信号类型拔码图说明
拔码示意图(正视)


外形及安装示意图
.png)
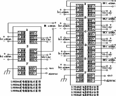
接线图













